首页
>
学生活动
>
体卫艺科
>
健康促进
>
饮水健康
2026年直饮水设备水质检测报告(3月月检)
2026年直饮水设备水质检测报告(2月 学期检)
2026年直饮水设备水质检测报告(1月月检)
2025年直饮水设备水质检测报告(12月月检)
2025年直饮水设备水质检测报告(11月月检)
2025年直饮水设备水质检测报告(10月月检)
2025年直饮水设备水质检测报告(9月月检)
2025年直饮水设备水质检测报告(8月 学期检)
2025年直饮水设备水质检测报告(5月月检)
2025年直饮水设备水质检测报告(4月月检)
2025年直饮水设备水质检测报告(3月月检-2)
2025年直饮水设备水质检测报告(3月月检)
2025年直饮水设备水质检测报告(2月 学期检)
2025年直饮水设备水质检测报告(1月月检)
2024年直饮水设备水质检测报告(12月月检)
2024年直饮水设备水质检测报告(11月月检)
2024年直饮水设备水质检测报告(10月月检)
2024年直饮水设备水质检测报告(9月月检)
2024年直饮水设备水质检测报告(8月 学期检)
2024年直饮水设备水质检测报告(6月月检)
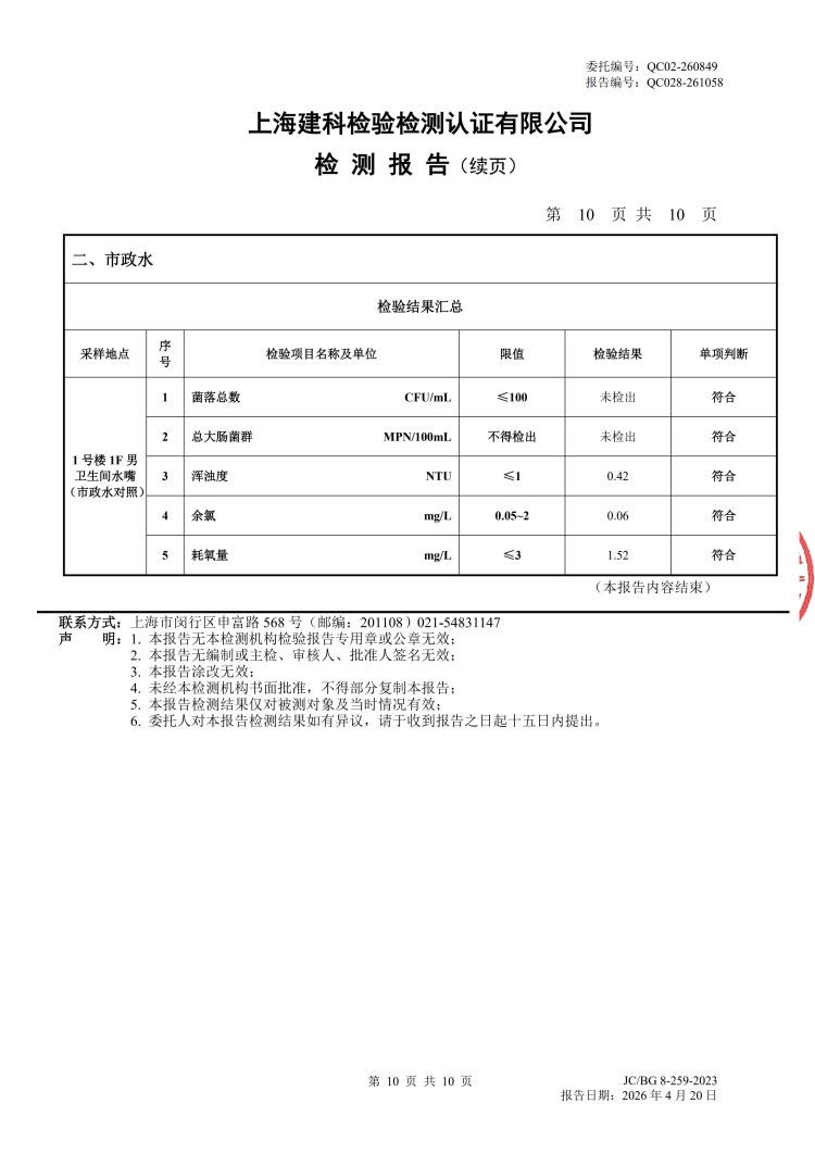
2026年直饮水设备水质检测报告(4月月检)
作者/来源:总务处 发布时间:2026-04-23
内容搜索
不能包含特殊字符
时间搜索
从:
到:
格式:YYYY-MM-DD
例如:2018-11-22
沪公网安备 31010402000407号